EC11E2020S05S7CVX
Mounting Orientation: Vertical
Shaft Configuration: Diverse shafts (Flat , Knurled Type, etc.)
Shaft Length: Optional
Number of Pulse & detent: Optional (9/18 ; 15/00 ; 15/30 ; 20/00 ; 20/20)
Push-on switch: 0.5mm travel push-on switch
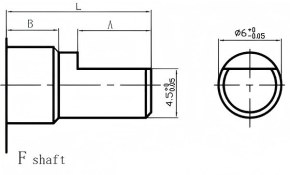
Dimension Drawing
Specification
Product FAQ

| Operating temperature range | -40℃ ~ +85℃ | |||
| Electrical performance | Ratings | 10mA 5V DC | ||
| Output signal | Two phase A and B | |||
| Max./min. operating current | 10mA/1mA | |||
| (Resistive load) | ||||
| Insulation resistance | 100MΩ min. 250V DC | |||
| Voltage proof | 300V AC for 1 minute or 360V AC for 2s | |||
| Mechanical performance | Detent torque | 10±7mN・m | ||
| Push-pull strength | 10Kgf Min | |||
| Durability | Operating life | 30,000 cycles | ||
| Push-on switch specifications | ||||
| Contact arrangement | Single pole single throw (Push-on) | |||
| Travel | 0.5±0.3mm | |||
| Operating force | 6(+2.5, -2)N | |||
| Ratings | 0.1A 5V DC (500µA 5V DC min. ratings) | |||
| Contact resistance (Initial performance/After lifetime) | 100mΩ max./200mΩ max. | |||
| Operating life | 20,000 times | |||
Output Wave

Sliding Noise
At R=5kΩ Chattering: 3ms max. Bounce: 2ms max.

Product Type:Single-shaft Type
1) Knurled Type 2) Flat Type

Soldering Conditions
Reference for Dip Soldering
Preheating
Soldering surface temperature
100℃ max.
Heating time
2 min. max.
Dip soldering
Soldering temperature
260±5℃
Soldering time
5±1s
No. of solders
2 time max.
Reference for Hand Soldering
Tip temperature
350℃ max.
Soldering time
3s max.
No. of solders
1 time
Cautions
Pulse Count Processing
When designing the pulse count for encoders, it is necessary to take into account factors such as operating speed, sampling time, and masking time. These parameters must be verified prior to encoder application. For your pulse count design, we recommend integrating C/R filters into your circuit as illustrated below.

Q1. What is an encoder?
An encoder is a device that converts the rotation or movement of a control shaft into digital electrical signals. Its output can be divided into two types: absolute and incremental. These signals are detected either by mechanical contact (using electrical contacts) or non-contact methods such as optical or magnetic sensing. Link Fast Group mainly provides contact-type encoders that use sliding contacts and pattern switches.
Q2. What types of encoders are there?
Encoders are mainly classified into absolute and incremental types by output method. By sensing principle, they include contact types and non-contact types (optical, magnetic, etc.). By motion type, they are rotary and linear encoders.
Q3. What are the differences between absolute encoders and incremental encoders?
Absolute encoders output a unique position value for every angle. They remember position even after power off—no homing needed.Incremental encoders only output pulses as they rotate, measuring speed and relative movement. They lose position after power off and require a homing step.
Related Products
Applications 
These PCB mount encoders are widely used in automotive electronics, audio equipment, household appliances, communication devices, instrumentation, and various other industrial control equipment.To meet diverse customer requirements, we offer a comprehensive product lineup, including IP67 metal shaft types with minimal shaft play, insulated shaft types with outstanding cost-effectiveness, ring types with a wide range of inner and outer diameter options.